全国统一服务热线
400-610-6025
首 页
mk官方网站_MK(中国)一站式服务官网
公司概况
证书荣誉
组织结构
业务范围
业绩案例
工艺材料
行业动态
资料下载
mk官方网站_MK(中国)一站式服务官网
当前位置:
首页
>
图集
>
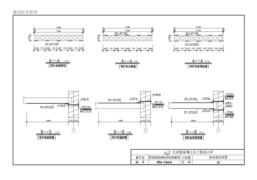
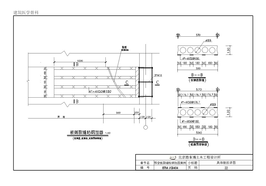
预空板裂缝粘钢加固案例
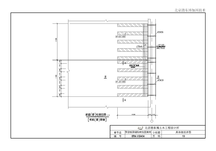
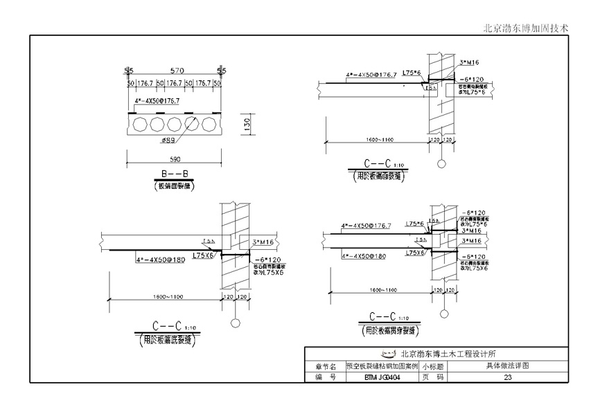
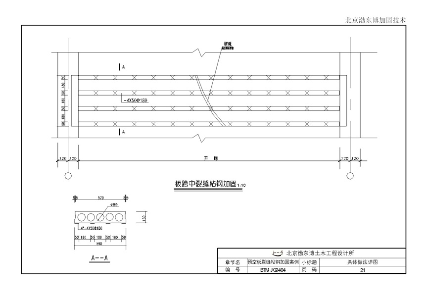
预空板裂缝粘钢加固案例
版权所有:mk官方网站_MK(中国)一站式服务官网
邮箱:jiagu@bodongbo.com
传真:010-64403408
电话:400-610-6025 800-810-6025 010-64403428
地址:北京市朝阳区北苑东路19号院2号楼1206室(中国铁建广场C座)
京ICP备2022035419号-1
世界杯开户买球(中国)集团有限公司
|
1xbet网页版登录入口
|
开云web站登录页面入口
|
沙巴足球网
|
华体会官方网页版_华体会(中国)
|
华体会买球
|
华体会体育·(sports)官方网站
|
mk官方网页版
|
1xbet在线登录官网
|